Products category
contact us
Email:
sales@anfiber.com
Tel:
+86-755-61373556
Fax:
+86-755-61373550
Website:
http://www.anfiber.com
Products
Your are here: Home > Products > Optical Switch

Mini Dual 1X2 Optical Switch

Name: Mini Dual 1X2 Optical Switch
Class: Optical Switch
Type: Mini Dual 1X2 Fiber Optic Switch

Mini Dual 1X2 Optical Switch(Single mode and Multimode)
Mini Size Dual 1X2 Fiber Optical Switch is an integrated single device with 6 fiber ports.It connects optical channels by redirecting an incoming optical signal into a selected output fiber.The Dual 1X2 Opto-Mechanical Optical Switches consists of 2 input and 4 output fiber ports that selectively transmits,redirects,or blocks optical power in a fiber optic transmission line.Dual 1X2 optical switches is designed for use in optical fiber communication networks and measurement instruments.
  • Features of Dual Optical Switches:
  • Low Insertion Loss
  • Wide Wavelength Range
  • High Stability,High Reliability
  • Epoxy-free on Optical Path
  • Latching and Non-latching
  • Single mode and Multi-mode
  • Applications of Dual Optical Switches:
  • Configurable OADM
  • MAN(Metropolitan Area Network)
  • Network Security and Monitoring
  • System Monitoring
  • Component Testing
  • R&D in Laboratory

  • Specifications of Dual Optical Switches:
    Parameters Unit ANFIBER-FSW-Mini Dual 1X2
    Fiber Type   Multimode Single mode
    Wavelength Range nm 850±40/1300±40 1260~1650
    Test Wavelength nm 850/1300 1310/1550
    Insertion Loss 1, 2 dB Typ: 0.8   Max: 1.2
    Return Loss 1, 2 dB MM≥30  SM≥50
    Crosstalk 1 dB MM≥35  SM≥55
    PDL dB ≤0.05
    WDL dB ≤0.3
    Repeatability dB ≤±0.02
    Operating Voltage V 5.0
    Voltage Pulse Width
    (Latching)
    ms ≥20
    Durability Cycles ≥10 Million
    Switch Time ms ≤8
    Optical Power mW ≤500
    Operating Temperature -20~+70
    Storage Temperature -40~+85
    Relative Humidity % 5 ~ 95
    Weight g 14
    Dimension mm (L)21.0X(W)9.0X(H)12.0 ±0.2
    Note:   Within operating temperature and SOP.
                  2  Customization is available.

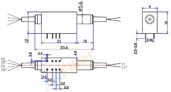
    Dimension of Dual Optical Switches:
    Single mode Multimode Latching Non-latching 850/1310/1550nm Dual Optical Switches
    Ordering Information of Dual Optical Switches:
    A B C D E F G
    Test
    Wavelength
    Operating
    Voltage
    Switch Type Fiber Type Tube
    Type
    Fiber Length Connector
    85: 850nm
    13: 1310nm
    15: 1550nm
    13/15:1310/1550nm
    X: Others
    3: 3V
    5: 5V
    L: Latching
    N:Non-latching
    SM:SM,9/125
    M5:MM,50/125
    M6:MM,62.5/125
    X:Others
    25:250um
    90:900um
    X: Others
    0.5: 0.5m
    1.0: 1.0m
    1.5: 1.5m
    X: Others
    FP: FC/PC
    FA: FC/APC
    SP: SC/PC
    SA: SC/APC
    SP: ST/PC
    SA: ST/APC
    LP: LC/PC
    LA: LC/APC
    X: Other

    Mini Dual 1X2 Optical Switches Single mode Multimode Latching Non-latching 850/1310/1550nm
    Related Products